HKCBP大容量組合式過電壓保護器
大容量組合式過電壓保護器
(HKCBP)
使
用
說
明
書
安徽徽凱創電力保護設備有限公司
一、產品用途
三相組合式過電壓保護器(HKCBP)是一種新型的過電壓保護器,它主要應用于發電、供電和企業的用電系統中,對電機、變壓器、開關、母線、電容器等電氣設備,除了限制大氣過電壓外,同時也可限制電力系統的操作過電壓,對相間和相對地的過電壓,均能起到可靠的保護作用。
二、產品結構/特點
三相組合式過電壓保護器(HKCBP)的電氣原理如圖一所示,圖中FR為高能容氧化鋅非線形電阻,JX為放電間隙,由于采用對稱結構,其中任意三個可分別接入A、B、C三相,另一個接地線。
三相組合式過電壓保護器(HKCBP)的主要特點:
1.通流容量大,適用范圍更廣;
2.采用四星形接法,可將相間過電壓大大降低,保護的可靠
性大為提高。
3.用氧化鋅非線性電阻和放電間隙的結構,使兩者互為保護。
放電間隙使氧化鋅電阻的荷電率為零,氧化鋅電阻的非線性
特性又使放電間隙動作后無續流,放電間隙不再承擔滅弧
任務,提高了產品的使用壽命。
4.電壓沖擊系數為1,在各種電壓波形下放電電壓值相等,
不受各種操作過電壓波形影響。過電壓保護值準確,保護
性能優良。
5.結構簡單、體積小、安裝方便。
圖一 電氣原理圖
三、型號說明

1.保護對象:A-發電機; B-變壓器、母線線路、開關 ; C- 并聯補償電容器;
O-電機中性點;D-電纜保護器
2.使用環境:W為戶外型,無‘W’只適用于戶內;
3.附加功能:“J”過電壓動作計數器;
四、型號及技術參數
1 . 用于電機、變壓器、開關、母線、線路、電容器等設備過電壓保護器。
表一中所列各型保護器相間與相對地有著同樣的過電壓保護水平
2 . 電機中性點過壓保護器
3 . 電纜保護器 (主要用于高壓單芯電纜屏蔽層的過電壓保護)
|
型 號 |
系統額定電壓 有效值(KV) |
工頻耐受電壓 有效值(KV/S) |
10KA雷電沖擊 電流殘壓 不大于(KV) |
直流1mA 參考電壓 不小于(KV) |
圖號 |
|
HKCBP-D-35 |
35 |
5/4 |
13 |
6.5 |
2 |
|
HKCBP-D-110 |
110 |
5/4 |
15 |
7.5 |
2 |
|
HKCBP-D-220 |
220 |
6/3 |
35 |
15 |
2 |
|
型 號 |
保護
對象 |
保護器持續運行電壓 (KV) r.m.s |
保護對象 額定電壓 (KV) r.m.s |
工頻放電電壓 (不小于 ) (KV) R.m.s
|
操作沖 擊電流 殘 壓 |
1.2/50沖擊放 電電壓 及殘壓 |
雷電沖 擊電流 殘 壓 |
2ms方波沖擊電 流 |
相間
距離 |
產品
高度 |
圖
號 |
||
|
|
|
|
|
|
(不大于) (KV)crest |
|
|
|
|
||||
|
|
|
|
|
標準 |
允許范圍 |
100A |
- |
500A |
5KA |
(A) |
(mm) |
|
|
|
HKCBP-A-3.8 |
發 電 機 |
3.8 |
3.15 |
6.2 |
5.8~7.5 |
7 |
7.5 |
7.5 |
|
400/ 600 |
131 |
182 |
3 |
|
HKCBP-A-7.6 |
|
7.6 |
6.3 |
13.8 |
11.3~18 |
14 |
15 |
15 |
|
|
|
|
|
|
HKCBP-A-10 |
|
12.7 |
10.5 |
24.2 |
21.4~31.5 |
23.1 |
24.8 |
24.8 |
|
|
|
197 |
|
|
HKCBP-A-13.8 |
|
16.7 |
13.8 |
34.5 |
31~41.4 |
46.8 |
55 |
55 |
|
|
180 |
260 |
|
|
HKCBP-A-15.75 |
|
19 |
15.75 |
39.3 |
35.3~47.2 |
53.3 |
62.5 |
62.5 |
|
|
240 |
360 |
|
|
HKCBP-B-3.8 |
變 壓 器
開 關
母 線 |
3.8 |
3 |
7 |
6.3~8.4 |
10.2 |
12 |
|
12 |
400/ 600 |
131 |
182 |
3 |
|
HKCBP-B-7.6 |
|
7.6 |
6 |
15 |
13.5~19.5 |
20.4 |
24 |
|
24 |
|
|
197 |
|
|
HKCBP-B-6/W |
|
|
|
|
|
|
|
|
|
|
250 |
406 |
5 |
|
HKCBP-B-10 |
|
12.7 |
10 |
25 |
22.5~32.5 |
33.8 |
40 |
|
40 |
|
131 |
197 |
3 |
|
HKCBP-B-12.7/131 |
|
|
|
|
|
|
|
|
|
|
250 |
406 |
5 |
|
HKCBP-B-42 |
|
42 |
35 |
75 |
67~90 |
105 |
119 |
|
119 |
|
310 |
550 |
4 |
|
HKCBP-B-42/W |
|
|
|
|
|
|
|
|
|
|
400 |
1058 |
6 |
|
HKCBP-C-3.8 |
電 容 器 |
3.8 |
3 |
7 |
6.3~8.4 |
10.4 |
|
|
11.7 |
400/ 800 |
131 |
182 |
3 |
|
HKCBP-C-7.6 |
|
7.6 |
6 |
15 |
13.5~19.5 |
20.7 |
|
|
23.4 |
|
|
197 |
|
|
HKCBP-C-10 |
|
12.7 |
10 |
25 |
22.5~32.5 |
34.5 |
|
|
39.1 |
|
|
|
|
|
HKCBP-C-42 |
|
42 |
35 |
75 |
67~90 |
105 |
|
|
119 |
|
310 |
550 |
4 |
|
HKCBP-C-42/W |
|
|
|
|
|
|
|
|
|
|
400 |
1058 |
6 |
五、用戶須知
1.使用的環境溫度為-40℃~+60℃,海拔高度小于2000m(高于2000m訂貨時注明)。
2.戶內型HKCBP的電纜長度及接線鼻孔徑需在訂貨時注明。
3.在系統發生間歇性弧光接地過電壓或鐵磁諧振過電壓時,有可能導致HKCBP的損壞。
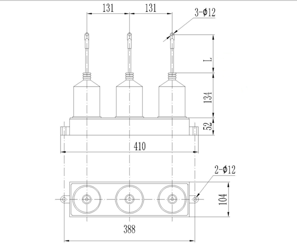
10KV過電壓保護器HKCBP外形安裝尺寸圖
35KV過電壓保護器HKCBP外形安裝尺寸圖
圖 ( 4) HKCBP-□-42
圖(8)工放試驗原理圖
V1、V2-電壓表 A1-數字電流表 ZT-調壓器 ST-試驗變壓器
LJ-電流繼電器 R-限流電阻
按原理圖將相關儀表和設備連接好。測試前應首先將電流繼電器LJ的整定值調至最小值(作為后備保護),然后將試驗變壓器空載升壓,電流繼電器LJ應不動作,將數字電流表A1的量程調至5~20A(5KVA及以下容量試驗變壓器可不加限流電阻R)。
工頻試驗電壓分別加在被測試品的A和D、B和D、C和D、A和C、B和C、以及A和B上,緩慢勻速調高試驗變壓器的輸出電壓,同時觀察電壓表及數字電流表A1,HKCBP間隙未擊穿放電時,數字電流表A1的讀數會隨著電壓升高而逐漸增大。當試驗變壓器的輸出電壓達到HHCBP的動作值時,HKCBP間隙被擊穿放電,數字電流表A1的數值將突增,此時試驗變壓器的高壓輸出電壓值即為該HKCBP的工放值。
2、試驗注意事項:
a、用戶在做HKCBP工放時,應以電流表數值有明顯突變時的高壓輸出電壓值,作為HKCBP的工放數值;
b、在做工頻放電時,當觀察到電流表有明顯的增大時,要立即將調壓器回零,并切斷電源。切忌在放電后繼續升高電壓,以免損壞HKCBP及試驗變壓器;
c、用戶在試驗時,如果發現其工放值超出表一中的允許范圍時,請仔細檢查接線是否正確、表計是否準確和調壓器炭刷是否接觸良好等,如經檢查測試數據無誤,確已超出允許范圍時,請與我公司聯系;
d、用戶在做其它電氣設備絕緣試驗時,應將HKCBP連接線拆除;
e、試驗時,只有內部間隙放電,外圍任何部分不得有閃絡;
f、本產品每一至二年做一次預防性試驗,同時將HKCBP外表面灰塵清理干凈。
二、安裝及注意事項
1、戶內型可水平安裝在各種不同型號的開關柜的手車底盤內或支撐梁上;
2、帶有在線監測儀(IM)或過電壓動作計數器(JS)的HKCBP,。先將HKCBP本體(安裝方式同上)和在線監測儀或過電壓動作計數器(嵌入式,安裝在易觀察的地方,外殼須接地)各自固定好后,通過帶航空插頭的七芯屏蔽電纜相連,安裝尺寸詳見《HKCBP-IM(JS)過電壓在線監測儀或過電壓動作計數器技術說明書》;
3、HKCBP在和三相電源(A、B、C)及接地端(D)相連時,須注意以下事項:
⑴電纜外端裸露的連接線鼻子相互之間距離,應滿足不同電壓等級的不同相帶電導體之間保持的最小安全距離的要求;
⑵HKCBP電纜線之間的安全距離及HKCBP電纜線與不同相母線(或柜體)之間的安全距離應不小于該型保護器相間距離(應在電纜電纜拉緊狀況下);
⑶HKCBP高壓電纜長度要根據安裝位置進行選擇,長短要適當,過長時可將該相電纜捆扎固定在同相母排(線)上,嚴禁將不同相電纜捆扎在一起;
⑷安裝時嚴禁手提電纜.同時要注意避免高壓電纜被銳器割破。

